SKU: VRT- 45661 Category:

VORT NRG FLAT 600

  • Internal supporting structure made of hot-dip galvanized steel sections Z140; construction according to EN1886, mechanical strength class D1.
  • Outer casing of sandwich panel, 25 mm thick, made of 6/10 thick steel plate. Inner sheets hot-dip galvanized Z140, outer sheets prepainted in RAL 9010 with PVC protective film coating. Internal insulation with high density polyurethane foam (40 kg/m3).
  • Airtightness ensured by a highly adaptive and elastic neoprene gasket.
  • Opening panels, tightened with push bolts that ensure sufficient and stable pressure on the seals.
  • Condensate collection tank made of AISI 304 stainless steel (EURONORM 1.4301), with an internal slope to facilitate drainage, corresponding to the areas subject to condensation.
  • Aluminium cross-flow counterflow heat exchanger, whose performance, certified by Eurovent, exceeds the requirements set out in Ecodesign Regulation No. 1253/2014/ΕΕ.
  • Bypass damper (100% air flow) with automatic control to implement the free cooling and free heating functions required by the ecodesign regulation.
  • 1 ePM10 60% (M5) filter on suction and 1 ePM1 55% (F7) filter on discharge, both mounted on gasketed guides for effective sealing and positioned upstream of internal components to ensure adequate protection.
  • Filters ePM1 55% (F7) in the outlet, ePM1 80% (F9) in the supply, ISO Coarse 45% (G4) in the return and ISO Coarse 40% (G2) in the return are available as accessories.
  • Independently adjustable fans, consisting of centrifugal impellers made of galvanized steel, of convex blade type with aerodynamic profile, statically and dynamically balanced, directly connected to electronically switched motors (EC brushless), thermally protected and adjustable by means of a 0-10V modulation signal.
  • Electronic suite, including temperature sensors in the outdoor air intake and room air intake, which monitors the operation of the machine. The user interface consists of a remote control panel with an LCD display. The installed microcontroller allows the independent adjustment of the speeds of the two fans, the automatic opening/closing of the motorized bypass shutter mounted in correspondence with the heat exchanger, the seasonal summer/winter changeover, the programming of the operation with time zones and, by means of a pair of differential pressure switches fitted as standard, the continuous monitoring of the condition of the filters and the activation of any alarm signal in the event of their non-maintenance.
  • Ability to manage a hot or cold water post-treatment battery (optional), controlled by an adjustable 3-way valve (optional), managed by a room air intake sensor.
  • Possibility of integration into the most modern home automation systems via RS485 serial port, provided as standard, Modbus communication protocol.

TECHNICAL DATA AND PERFORMANCE DATA

  • Fresh air filter category F7
  • Fresh Air Filter Category M5
  • Frequency (Hz) 50
  • Number of phases (Ph) 1
  • Weight (Kg) 130
  • Maximum power consumption (W) 360
  • Rated power (W) 330
  • Voltage (V) 230
  • Maximum flow rate (m³/h) 650
  • Sound power level Lw [dB(A) 75,1
  • Sound pressure level Lp 1m 59,6[dB(A)]

 

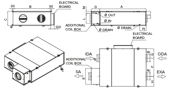
DIMENSIONS

  • Size Ø (mm)200
  • Size A (mm)1350
  • Size B (mm)1000
  • Size C (mm) 380
  • Size D (mm)288
  • Size E (mm)455
  • Size F (mm)478
  • Size Z (mm)276
  • Size H (mm)246
  • Size I (mm)184
  • Size L (mm)230
  • Size M (mm)71
  • Size N (mm)173

 

fee

 

Curves

Curva_JPG_45661-Curve_per_Catalogo